Подключение охранных извещателей с реле к GSM модему.

Вопросы, связаные с охранно-пожарной сигнализацией, пожаротушением и прочие технические вопросы, не связаные с видеонаблюдением.
Ответить
toddscott
Новичок
Сообщения: 2
Зарегистрирован: 07 окт 2020, 13:52

Подключение охранных извещателей с реле к GSM модему.

Сообщение toddscott » 07 окт 2020, 17:29

Здравствуйте!
В ходе прохождения курса в университете, необходимо выполнить какой-то проект на доступном в лаборатории оборудовании. Была выбрана реализация охранной сигнализации с использованием GSM модема.
Сейчас в проекте используется:
  • Блок питания Siemens LOGO!Power на 24V
  • INSYS GSM 4.3 LOGO!
  • Извещатель охранный ИКАР-3
  • МБП-12
Оборудование старое, но рабочее. Ещё доступен сам контроллер Siemens LOGO! и два модуля для расширения DM8 12/24R и CM EIB/KNX.
Модем INSYS GSM питается от блока питания 24V, а ИКАР-3 от МБП-12(12V).

Собственно проблема, как подключить извещатель к GSM модему? Пока что не хочется использовать ещё одно звено в виде отдельного контроллера LOGO!. ИКАР-3 при активации размыкает реле, а модем формирует тревожное сообщение(alarm) при заземлении. Не понятно, как заземлить размыканием реле?
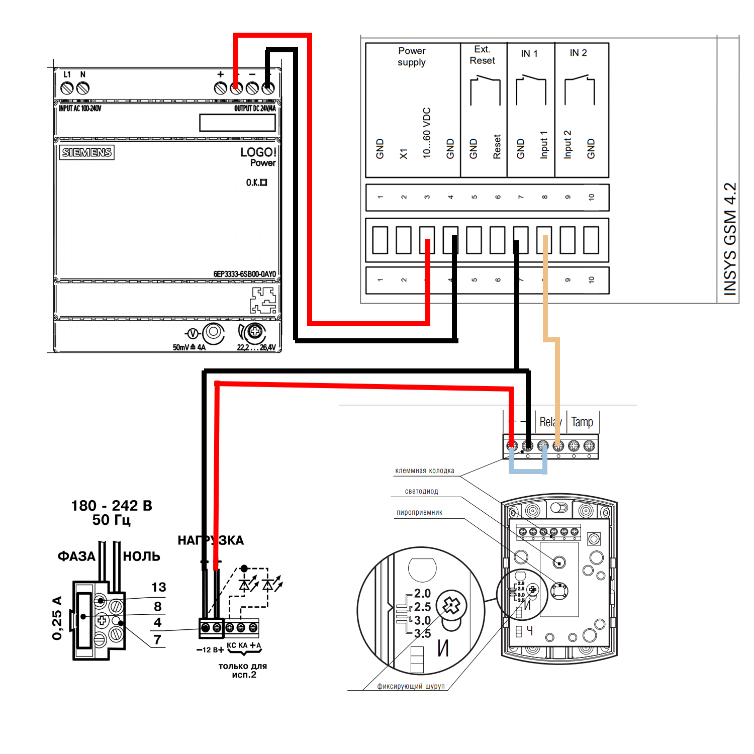
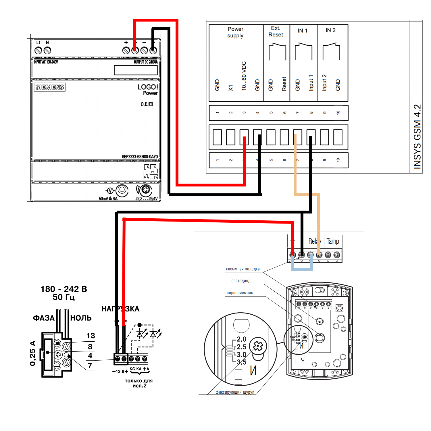
Мы пытались подавать 12V через реле и это на вход в GSM модуль(IN1), а от него в "-" МБП-12, но при размыкании реле на контактах модема 5V есть, то есть цепь не заземляется. Пробовали иначе подключать, но тогда alarm происходит при замкнутом реле, а не при размыкании, то есть неправильно это работает. Попытался достаточно подробно рассказать, если какая-то дополнительная информация требуется, то могу предоставить, документации на используемые устройства перечитал уже, могу цитаты от туда найти, чтобы понятнее было, о чём речь идёт. Во вложении добавил схемы, как мы подключали устройства.
Вложения
схема подключения2.png
Второй вариант подключения
схема подключения.png
Первый вариант подключения

GenaSPB
Модератор
Сообщения: 11340
Зарегистрирован: 20 апр 2010, 11:33
Откуда: Санкт-Петербург
Контактная информация:

Re: Подключение охранных извещателей с реле к GSM модему.

Сообщение GenaSPB » 08 окт 2020, 00:58

Без ППКОП (контроллера) ЭТО не будет охранной сигнализацией, а только оповещалкой о сработке датчика. Потому как сигнализация предполагает некую логику работы, шлейфы по зонам, время задержек ну и конечно возможность ставить и снимать с охраны.

toddscott
Новичок
Сообщения: 2
Зарегистрирован: 07 окт 2020, 13:52

Re: Подключение охранных извещателей с реле к GSM модему.

Сообщение toddscott » 08 окт 2020, 01:18

GenaSPB писал(а):
08 окт 2020, 00:58
Без ППКОП (контроллера) ЭТО не будет охранной сигнализацией, а только оповещалкой о сработке датчика. Потому как сигнализация предполагает некую логику работы, шлейфы по зонам, время задержек ну и конечно возможность ставить и снимать с охраны.
Можно считать, что именно оповещалка и нужна, так как это просто небольшой проект на семестр, а не дипломная работа или коммерческая разработка. Здесь больше интересует не архитектурный вопрос, а электрический. В планах конечно ещё и Switch Outputs GSM модема задействовать и, возможно, второй IN тоже, но сейчас интересует именно конкретная данная проблема.

GenaSPB
Модератор
Сообщения: 11340
Зарегистрирован: 20 апр 2010, 11:33
Откуда: Санкт-Петербург
Контактная информация:

Re: Подключение охранных извещателей с реле к GSM модему.

Сообщение GenaSPB » 08 окт 2020, 07:56

Образование уже не то, у нас это называлось просто лабораторной работой. Высосать на диплом, то что делает хороший монтажник ежедневно, это надо постараться. )))

jackpot021
Специалист
Сообщения: 296
Зарегистрирован: 21 фев 2020, 12:45
Откуда: МО

Re: Подключение охранных извещателей с реле к GSM модему.

Сообщение jackpot021 » 08 окт 2020, 09:39

Как вариант - использовать делитель напряжения на резисторах (2 шт.-10к и 440 ом), где в рабочем режиме Икар контактами реле коротит резистор 10к, подключенный к +12 В. При сработке контакты реле размыкаются, два резистора образуют делитель напряжения, где на выходе получаем 0,5 В, что исходя из документации на Сименс является сигналом тревоги (level high - 4-12 V, level low - 0-1 V).

ALEX_SE
Специалист
Сообщения: 4259
Зарегистрирован: 19 авг 2011, 20:52
Откуда: Энгельс

Re: Подключение охранных извещателей с реле к GSM модему.

Сообщение ALEX_SE » 12 окт 2020, 12:14

А что делать с дребезгом и множественными тревогами? У ИКАРа нет памяти.
Соотв реле надо промежуточное (можно времени) что бы включалось на самоблокировку после тревоги а блокировка снималась либо командой либо таймером. Таким образом можно реализовать автоперевзятие при необходимости.

Ответить

Вернуться в «Охранные и пожарные сигнализации, пожаротушение и т.п.»